- VÉDETTSÉG (IP): IP20
- Pólusok száma: 4
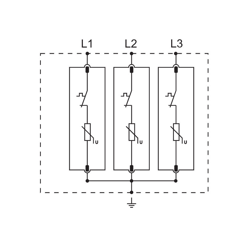
Tracon electric AC túlfeszültség-levezető T1+T2 típus
Elektromos berendezések és készülékek védelmére szolgáló túlfeszültség-védelmi eszköz. Mutass többet
-
-
-
-
-
-
Nyílt galéria
(2)Nyílt galéria
(1)
A képek illusztratívak
Ajánlat nagyobb mennyiségekre
AC túlfeszültség-levezető T1+T2 típus
AC túlfeszültség-levezető, T1+T2 típus kivehető modulok
A túlfeszültség-levezető, más néven villámhárító, olyan eszköz, amely biztosítja a különböző elektronikus berendezések, eszközök és kommunikációs vezetékek biztonságát. Ha egy elektromos áramkörben vagy kommunikációs vezetékben külső interferencia hatására hirtelen áram vagy feszültség jelenik meg, a túlfeszültségvédő nagyon rövid időn belül rövidre zárhat, így elkerülhető a túlfeszültség miatti károsodás az áramkörben lévő többi eszközben. A túlfeszültség-levezetőt tartalmazó termékek hatékonyan képesek elnyelni a hirtelen energiasokkokat és megvédik a csatlakoztatott berendezéseket a sérülésektől.
Paraméterek:
- Védettségi fokozat: IP20
- Névleges feszültség: 230/400 V AC
- Pólusok száma: 3
- Rövidzárlati ellenállás: 50 kA
- Feszültség típusa: AC
- Cserélhető betét: igen
- Optikai visszajelző: igen
- Szerelőlapra rögzíthető: igen
- Frekvencia: 50/60 Hz
- Hálózat típusa: TN-C
Műszaki paraméterek
- VÉDETTSÉG (IP)IP20
- Pólusok száma3
- VáltozatokESPD1+2-12.5-3P

