3 679 Ft
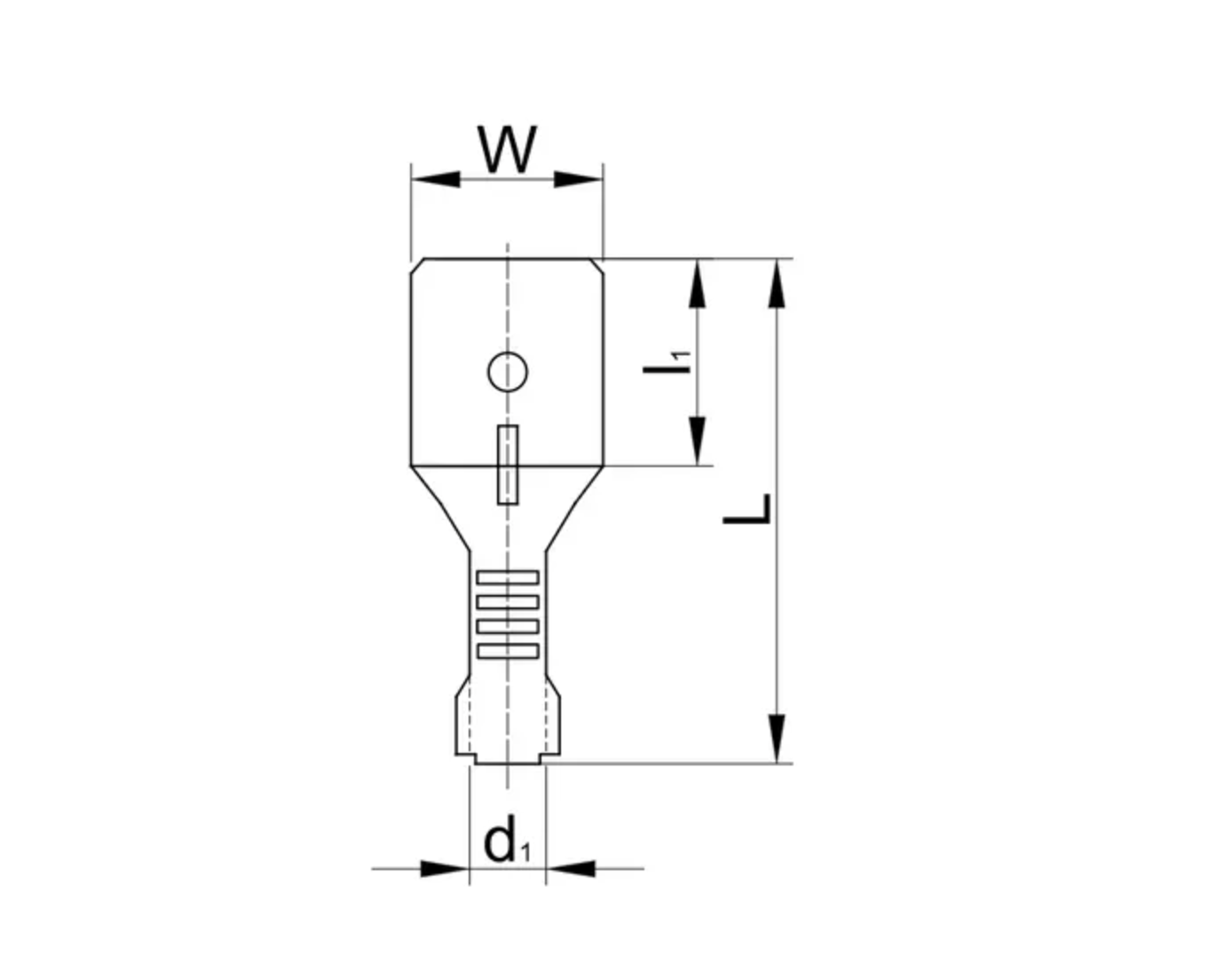
- Méret (axbmm/b-c mm2): 2,8x0,5mm/0,5-1 mm2
- Darab a csomagban: 100
- Vezeték keresztmetszete (mm²): 1
Írja be, mit keres
Szigeteletlen rátolható csatlakozó csap, sárgaréz Mutass többet
A képek illusztratívak
Ajánlat nagyobb mennyiségekre
Szigeteletlen rátolható csatlakozó csap, sárgaréz 1,5mm²
A szigeteletlen rátolható csatlakozó csapot főként vezetékek csatlakoztatására használják.
A csatlakoztatható vezetékek keresztmetszete: 0,5-1 mm2
Rögzítőanyag: sárgaréz
