469 Ft
- Méret (axbxc mm): 160x140x45 mm
- Felületkezelés: horganyzott lemez
Írja be, mit keres
T-típusú csatlakozó lemez gerendák rögzítéséhez. Mutass többet




A képek illusztratívak
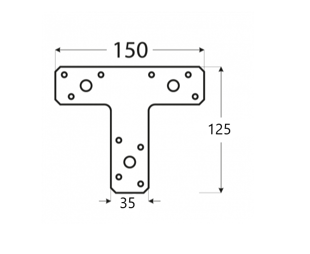
T-csatlakozó lemez KT 2 150x125x35mm
A T-típusú csatlakozó lemez a vízszintes gerendák oszlopok tetején történő rögzítésére szolgál. A három elem egyidejű összekapcsolásának lehetősége azt jelenti, hogy ezeket főként olyan oszlopokon használják, amelyeken két vízszintes gerenda van összekötve. Ezeket a csatlakozó lemezeket ácsszögekkel, facsavarokkal, betonhorgonyokkal vagy M10-es csavarokkal lehet rögzíteni.
